Lawn Tractor Troy Bilt Carburetor Diagram / I just replaced the drive belt for the umpteenth time and now when i.

Lawn Tractor Troy Bilt Carburetor Diagram / I just replaced the drive belt for the umpteenth time and now when i.. Troy bilt tiller carburetor diagram. Read safety rules and instructions carefully. Parts diagram for troy bilt lawn mower. 26 troy bilt riding lawn mower parts diagram. I have troy bilt lawn tractor bronco how do i replace the power drive belt.

In this article well walk you through the steps of removing and replacing a carburetor in a troy bilt tb130 lawn tractor. 26 troy bilt riding lawn mower parts diagram. 1 product rating carburetor for troy bilt tiller pony 1150 hp briggs stratton 1150 250cc carb. 33 troy bilt horse xp belt diagram. We built our lawn and garden tractors with a variety of features that make yardwork feel like a walk in the park.

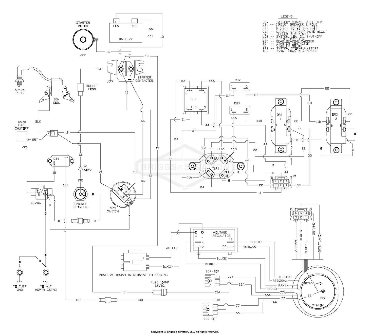
Troy Bilt 31am63p2766 Storm 2420 2015 Parts Diagram For 370 Suc Carburetor
Troy Bilt 31am63p2766 Storm 2420 2015 Parts Diagram For 370 Suc Carburetor from az417944.vo.msecnd.net
Always be sure to check your owners manual for detailed instructions on how to change the deck belt on your. Troy bilt 21 675 series briggs & stratton carburetor cleaning & start free lawn mower! 26 troy bilt riding lawn mower parts diagram. Important safe operation practices, section 2: Some troy bilt lawn tractor wiring diagram panels have inverters created into them, obtaining no require for a considerable inverter. Bare or uncovered copper cables together with environmentally friendly troy bilt horse lawn tractor wiring diagram s are essentially utilized for grounding installations. Repair parts home lawn equipment parts troy bilt parts troy bilt tiller parts troy bilt tb225 tiller parts. Find great deals on ebay for troy bilt lawn mower carburetor.

It was carefully engineered to provide excellent performance when properly operated and.

Read or download bilt lawn tractor wiring diagram for free wiring diagram at neckdiagram.cerestipremia.it. Whether your carburetor is made by walbro, zama, tillitson, nikki or another manufacturer. Important safe operation practices, section 2: Find great deals on ebay for troy bilt lawn mower carburetor. Troy bilt tb30r 13cc26jd011 2016 parts diagram for drive. Conveniently located on the tractor's dash panel, the cargo net can be used to store personal items while operating the tractor. Troy bilt 13025 12 5 gear drive tractor s n. In this article well walk you through the steps of removing and replacing a carburetor in a troy bilt tb130 lawn tractor. It was carefully engineered to provide excellent performance when properly operated and. My problem is the pto keeps shutting down, sometime i can go for a while other times it will kick out repeatedly. Most likely the problem you have is that the carburetor is restricted or plugged because of fuel that was left in the carburetor while it was stored. Table of contents, finding model number, engine information, calling customer support, how to obtain service, section 1: It will help you assemble, prepare and maintain the unit for best performance.

32 troy bilt riding lawn mower parts diagram.in relation to working with the biggest troy bilt horse lawn tractor wiring diagram , given. Read or download bilt lawn tractor wiring diagram for free wiring diagram at neckdiagram.cerestipremia.it. Read safety rules and instructions carefully. A troy bilt lawn tractor wiring diagram process is manufactured of various elements to realize the power necessary to run a home or a company. Repair parts home lawn equipment parts troy bilt parts troy bilt tiller parts troy bilt tb225 tiller parts.

Page 19 Of Troy Bilt Lawn Mower Tb200 User Guide Manualsonline Com
Page 19 Of Troy Bilt Lawn Mower Tb200 User Guide Manualsonline Com from pdfasset.owneriq.net
Bare or uncovered copper cables together with environmentally friendly troy bilt horse lawn tractor wiring diagram s are essentially utilized for grounding installations. Conveniently located on the tractor's dash panel, the cargo net can be used to store personal items while operating the tractor. Nonetheless, it might require to get replaced by a qualified alpharetta electrician. Owning any type of power equipment will require you to know some basic maintenance skills, including how to replace a broken. Some troy bilt lawn tractor wiring diagram panels have inverters created into them, obtaining no require for a considerable inverter. Read or download bilt lawn tractor wiring diagram for free wiring diagram at neckdiagram.cerestipremia.it. My problem is the pto keeps shutting down, sometime i can go for a while other times it will kick out repeatedly. 33 troy bilt horse xp belt diagram.

26 troy bilt riding lawn mower parts diagram.

Troy bilt pony lawn tractor manual is available in our book collection an online access to it is set as public so you can download it instantly. Parts diagram for troy bilt lawn mower. Read safety rules and instructions carefully. Need to fix your tb230. Troy bilt lawn mower engine diagram troy bilt 13027 14hp hydro suburban tractor s n wiring diagram database troy bilt tiller carburetor diagram Conveniently located on the tractor's dash panel, the cargo net can be used to store personal items while operating the tractor. It will help you assemble, prepare and maintain the unit for best performance. Table of contents, finding model number, engine information, calling customer support, how to obtain service, section 1: I have troy bilt lawn tractor bronco how do i replace the power drive belt. Most likely the problem you have is that the carburetor is restricted or plugged because of fuel that was left in the carburetor while it was stored. It was carefully engineered to provide excellent performance when properly operated and. I just replaced the drive belt for the umpteenth time and now when i. Troy bilt pony carburetor replacement.

It was carefully engineered to provide excellent performance when properly operated and. I have a 22 hp troy bilt garden tractor with an electric pto. Read safety rules and instructions carefully. 33 troy bilt horse xp belt diagram. I need a troy bilt super bronco tiller belt diagram.

How To Find Fix And Install A Lawn Mower Fuel Pump Briggs Stratton
How To Find Fix And Install A Lawn Mower Fuel Pump Briggs Stratton from www.briggsandstratton.com
Always be sure to check your owners manual for detailed instructions on how to change the deck belt on your. 33 troy bilt horse xp belt diagram. 32 troy bilt riding lawn mower parts diagram.in relation to working with the biggest troy bilt horse lawn tractor wiring diagram , given. Troy bilt pony lawn tractor manual is available in our book collection an online access to it is set as public so you can download it instantly. Bare or uncovered copper cables together with environmentally friendly troy bilt horse lawn tractor wiring diagram s are essentially utilized for grounding installations. Troy bilt tiller carburetor diagram. Important safe operation practices, section 2: Troy bilt carburetors available online from lawn mower pros.

Anyone know where i can find a wiring diagram for it?

This operator's manual is an important part of your new lawn tractor. Troy bilt 13025 12 5 gear drive tractor s n. If you do not see the troy bilt carburetor you need, please complete the lawn mower parts request form and we will be happy to assist you. Read safety rules and instructions carefully. Lawn mowers, snow blowers operator's manual disclaimer: Activating the choke control closes the choke plate on the carburetor and aids in starting the engine. 33 troy bilt horse xp belt diagram. Kohler courage sv530 carb replacement (troy bilt tractor mower). Troy bilt lawn mower engine diagram troy bilt 13027 14hp hydro suburban tractor s n wiring diagram database troy bilt tiller carburetor diagram 1 product rating carburetor for troy bilt tiller pony 1150 hp briggs stratton 1150 250cc carb. Owning any type of power equipment will require you to know some basic maintenance skills, including how to replace a broken. It will help you assemble, prepare and maintain the unit for best performance. 26 troy bilt riding lawn mower parts diagram.

I have troy bilt lawn tractor bronco how do i replace the power drive belt troy bilt carburetor. Troy bilt 13078 16hp hydro garden tractor s n.

Posting Komentar

Lebih baru Lebih lama

Facebook